Supermicro SYS-510P-WTR
| Nowości SupermicroSupermicro SYS-510P-WTR to serwer z pojedynczym socketem na procesor generacji Intel Xeon "Ice Lake". Najnowsze procesory intela z generacji "Ice Lake" mogą zaoferować znacznie więcej możliwości użytkownikom systemów o procesorach jednogniazdowych. Jest to platforma " zoptymalizowana pod kątem kosztów" przy jednoczesnym zachowaniu możliwości rozbudowy dzięki konstrukcji WIO.
SYS-510P-WTR to serwer 1U o głębokości 650mm. Praktycznie czyni to serwer na tyle krótkim, że zmieści się w prawie każdej szafie rackowej.

Zaczynając od frontu systemu, otrzymujemy cztery zatoki 3,5″ hot-swap. Mogą one obsługiwać dyski SATA i SAS3 (po zainstalowaniu kontrolera SAS HBA/ RAID) a, po zainstalowaniu opcjonalnych kabli także NVMe.

Z tyłu systemu możemy zaobserwować:
- redundantne zasilacze 500W 80Plus Platinum
- port szeregowy, dedykowany port IPMI, dwa porty USB 2.0, dwa porty USB 3.2 Gen1 oraz port VGA
- dwa porty LAN 10Gbase-T
- 2 sloty PCIe Gen4 x16 (FHFL) i 1 slot PCIe Gen4 x16 (LP)
W poprzedniej generacji, bylibyśmy ograniczeni do PCIe Gen3 na tych slotach ale tym razem otrzymujemy około dwa razy większą przepustowość. Oprócz tego mamy do dyspozycji 48 (3x16) linii PCIe co stanowi łączną całkowitą ilość dostępną w ramach platformy Intel Xeon Scalable drugiej generacji.

Jeśli zaś chodzi o to się znajduje w środku obudowy to możemy zaobserwować:
- 5 wentylatorów. Jest też możliwość zamontowania opcjonalnego szóstego wentylatora dla tych, którzy potrzebują dodatkowego chłodzenia
- gniazdo procesora to Intel Xeon Scalable trzeciej generacji Ice Lake
- do naszej dyspozycji dostajemy w sumie 8 slotów DIMM o maksymalnej przepustowości 3200MHz DDR4
- Intel C621A Lewisburg Refresh PCH
- do obsługi wewnętrznej pamięci masowej otrzymujemy dwa gniazda SATA DOM. Otrzymujemy także pojedynczy slot M.2, który może być zarówno PCIe Gen3 x4 lub SATA
- gniazdo USB 3 Type-A.
Ogólnie rzecz biorąc, można dostrzec pewne kompromisy poczynione w celu upakowania maksymalnej ilości funkcji w tak małej obudowie. Dla tych, którzy wolą systemy z dwoma gniazdami, Supermicro ma dostępne również inne modele. Mimo to, platforma single-socket jest dość wyjątkowa.
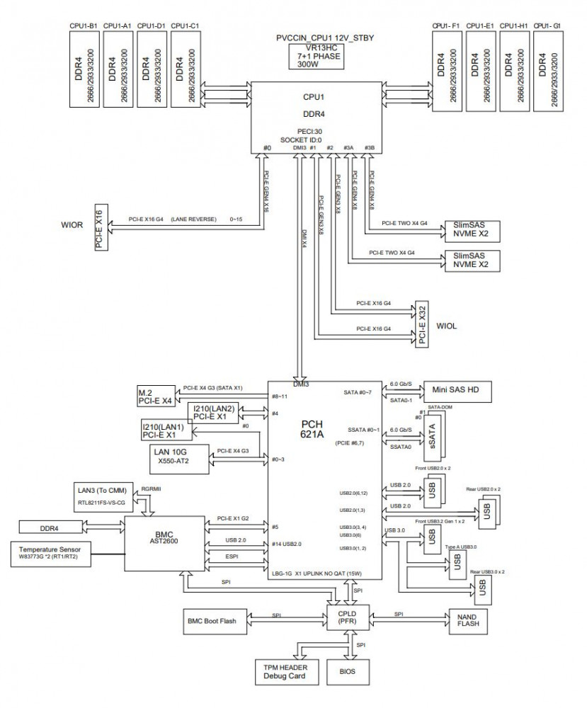
Diagram Blokowy

Źródło:https://www.servethehome.com/wp-content/uploads/2021/06/Supermicro-SYS-510P-WTR-Block-Diagram.jpg
Wszystkie ważniejsze urządzenia I/O takie jak DDR4, PCIe Gen4 I/O, znajdują się poza procesorem. Supermicro umieściło wszystkie I/O o niższych prędkościach na procesorze Intel C621A PCH, który nie posiada akceleracji QuickAssist i ma TDP na poziomie 15W. Umieszczenie wszystkich I/O o niższej prędkości na PCH oznacza, że możemy zarezerwować szybkie linie PCIe Gen4 dla urządzeń o wyższej prędkości.
Supermicro SYS-510P-WTR Management

Źródło: https://www.servethehome.com/wp-content/uploads/2021/07/Supermicro-X12-IPMI-Dashboard.jpg
Management jest nowym wzorcowym standardem Supermicro IPMI. Jak mogliście zobaczyć na powyższym schemacie blokowym, ta generacja posiada teraz ASPEED AST2600 BMC. W rezultacie otrzymujemy szybszy procesor, co oznacza, że otrzymujemy również odświeżony interfejs Management. To bardziej nowoczesne narzędzie IPMI znajdziemy w produktach firmy zaczynając od 12 generacji.
Tej generacji, koszty systemów stanowczo idą w górę. Producenci OEM muszą przejść na wyższej jakości PCB i złącza w systemach, co powoduje wzrost kosztów w całej branży o ponad sto dolarów w większości systemów. W tym samym czasie Intel stał się bardziej konkurencyjny w cenach swoich procesorów i układy takie jak Intel Xeon Gold 6314U używane tutaj są o wiele bardziej konkurencyjne w stosunku do tego, co AMD oferuje dla platform jednogniazdowych. Powinniśmy również zauważyć, że ten system przy ponad 300W jest pod wieloma względami porównywalny do poprzedniej generacji Intel Xeon E5-2600 V3/V4 z dwoma 16-rdzeniowymi układami.
Powiązane strony:
- Supermicro AS -2014S-TR: Zaawansowane rozwiązanie serwerowe dla Twojej firmy (Unboxing AS -2014S-TR)
- Serwery Supermicro single CPU
- Kontrolery RAID oraz Kontrolery HBA (IT-MODE) oraz Kontrolery JBOD dostępne w Supermicro dla dysków SAS/SATA
- AOC-S3908L-H8IR (-16DD/-32DD), AOC-S3916L-H16IR (-32DD)
- Licencje Supermicro rozszerzające możliwości IPMI (SFT-OOB-LIC & SFT-DCMS-SINGLE & SFT-SDDC-SINGLE)
- Supermicro SSG-110P-NTR10: Zaawansowane rozwiązanie serwerowe dla Twojej firmy (Unboxing)
- Test platformy Supermicro NVMe 1029U-TN10RT + Intel Virtual RAID on CPU (VROC)






